轴承专区
Bearings Center
BSD 55120 CG轴承-SKF BSD 55120 CG轴承尺寸、图纸、价格
SKF BSD 55120 CG轴承
| 产品名称: | BSD 55120 CG轴承 | 品牌: | SKF |
|---|---|---|---|
| 类型: | SKF轴承 > 超高精密轴承 > Angular contact thrust ball bearings for screw drives | ||
| 描述: | BSD 55120 CG轴承是【SKF轴承 > 超高精密轴承 > Angular contact thrust ball bearings for screw drives】的型号,主要用在农业机械、机床主轴、压缩机、汽车、振动筛、耕耘机、钢铁厂、电子、平地机、太阳能发电设备等各大领域 | ||
电话/微信:138-8949-5179
SKF BSD 55120 CG轴承详细信息
BSD 55120 CG轴承是【SKF轴承 > 超高精密轴承 > Angular contact thrust ball bearings for screw drives】的型号,主要用在农业机械、机床主轴、压缩机、汽车、振动筛、耕耘机、钢铁厂、电子、平地机、太阳能发电设备等各大领域。
SKF BSD 55120 CG轴承详细参数
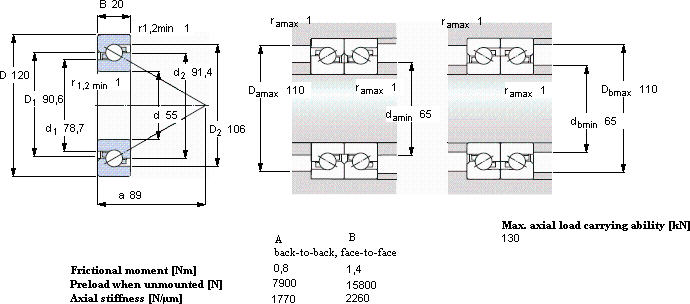
| 角接触推力球轴承 for screw drives, single direction | |||||||||||
| 主要数据尺寸 | 基本负荷额定值 | 疲劳负荷限值 | 可达到的速度 | 体积 | 型号 | ||||||
| 动态 | 静态 | 当润滑与 | SKF | SNFA | |||||||
| 油脂 | 滴油润滑 | ||||||||||
| d | D | H | C | C0 | Pu | ||||||
| mm | kN | kN | r/min | kg | - | ||||||
| 55 | 120 | 20 | 69,5 | 216 | 8 | 5000 | 6000 | 1,14 | BSD 55120 CG | BS 55/120 7P62U | |
SKF BSD 55120 CG轴承尺寸图纸

