李工:138-8949-5179 刘工:135-0428-8802
型号查询
轴承型号   常见搜索: 7014轴承 6019轴承 6309轴承 6028轴承 6906轴承 6009轴承
型号查询 X

轴承专区

Bearings Center

316388 AV轴承-SKF 316388 AV轴承尺寸、图纸、价格

SKF 316388 AV轴承

产品名称:316388 AV轴承 品牌:SKF
类型:SKF轴承 > 滚动轴承 > 多辊式轧钢机支承轴承
描述:316388 AV轴承是【SKF轴承 > 滚动轴承 > 多辊式轧钢机支承轴承】的型号,主要用在变速器、各类变速器、纺织机械传动轴、铁路车辆、减速装置、机床等的变速装置、立式电动机、饮料设备、工程船舶、机械手等各大领域

 电话/微信:138-8949-5179

SKF 316388 AV轴承详细信息

316388 AV轴承是【SKF轴承 > 滚动轴承 > 多辊式轧钢机支承轴承】的型号,主要用在变速器、各类变速器、纺织机械传动轴、铁路车辆、减速装置、机床等的变速装置、立式电动机、饮料设备、工程船舶、机械手等各大领域。

SKF 316388 AV轴承详细参数

用于多辊轧机的背辊轴承, 用于多辊轧机的背辊轴承
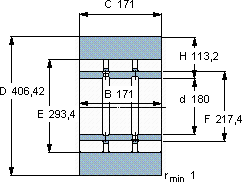
主要数据尺寸基本负荷额定值最大径向负荷体积型号
滚子
动态静态动态静态
DdBCHCC0FrF0r
mmkNkNkg-
406,42180171171113,21510265010601500130316388 AV

SKF 316388 AV轴承尺寸图纸

李工:138-8949-5179

刘工:135-0428-8802

地址:辽宁省大连经济技术开发区现代城3栋-13-13号

在线客服系统