李工:138-8949-5179 刘工:135-0428-8802
型号查询
轴承型号   常见搜索: 6010轴承 6309轴承 6026轴承 6015轴承 6004轴承 6304轴承
型号查询 X

轴承专区

Bearings Center

BEAM 060145-2Z轴承-SKF BEAM 060145-2Z轴承尺寸、图纸、价格

SKF BEAM 060145-2Z轴承

产品名称:BEAM 060145-2Z轴承 品牌:SKF
类型:SKF轴承 > 超高精密轴承 > Angular contact thrust ball bearings for screw drives
描述:BEAM 060145-2Z轴承是【SKF轴承 > 超高精密轴承 > Angular contact thrust ball bearings for screw drives】的型号,主要用在通用电动机、高频马达、挖土机履带轮、前轮、破碎机、机床等的变速装置、轧钢机轧制螺杆用减速机、玩具、压路机、机场加油机等各大领域

 电话/微信:138-8949-5179

SKF BEAM 060145-2Z轴承详细信息

BEAM 060145-2Z轴承是【SKF轴承 > 超高精密轴承 > Angular contact thrust ball bearings for screw drives】的型号,主要用在通用电动机、高频马达、挖土机履带轮、前轮、破碎机、机床等的变速装置、轧钢机轧制螺杆用减速机、玩具、压路机、机场加油机等各大领域。

SKF BEAM 060145-2Z轴承详细参数

角接触推力球轴承 for screw drives, double direction, for bolt mounting
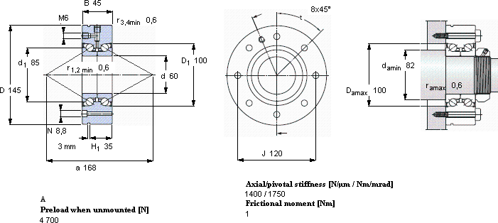
主要数据尺寸基本负荷额定值疲劳负荷限值Attainable speed体积型号
动态静态SKFSNFA
dDHCC0Pu
mmkNkNr/minkg-
601454585,2216826004,30BEAM 060145-2ZBEAM 60/145/Z 7P60

SKF BEAM 060145-2Z轴承尺寸图纸

李工:138-8949-5179

刘工:135-0428-8802

地址:辽宁省大连经济技术开发区现代城3栋-13-13号

在线客服系统