李工:138-8949-5179 刘工:135-0428-8802
型号查询
轴承型号   常见搜索: 2025轴承 6009轴承 6900轴承 22222轴承 6305轴承 6909轴承
型号查询 X

轴承专区

Bearings Center

NUP 306 ECNJ *轴承-SKF NUP 306 ECNJ *轴承尺寸、图纸、价格

SKF NUP 306 ECNJ *轴承

产品名称:NUP 306 ECNJ *轴承 品牌:SKF
类型:SKF轴承 > 滚动轴承 > 圆柱滚子轴承
描述:NUP 306 ECNJ *轴承是【SKF轴承 > 滚动轴承 > 圆柱滚子轴承】的型号,主要用在建筑机械、罗茨鼓风机、桥式起重机、建筑机械、轧钢机齿轮箱座、石油钻机转环、成形机、化纤机械、轻工机械、泥炮等各大领域

 电话/微信:138-8949-5179

SKF NUP 306 ECNJ *轴承详细信息

NUP 306 ECNJ *轴承是【SKF轴承 > 滚动轴承 > 圆柱滚子轴承】的型号,主要用在建筑机械、罗茨鼓风机、桥式起重机、建筑机械、轧钢机齿轮箱座、石油钻机转环、成形机、化纤机械、轻工机械、泥炮等各大领域。

SKF NUP 306 ECNJ *轴承详细参数

圆柱滚子轴承, 单列, NUP 设计, 于外圈的带止动槽
主要数据尺寸基本负荷额定值疲劳负荷限值额定速度体积型号适宜的斜挡圈
动态静态参照速度限制速度型号
dDBCC0Pu * - SKF Explorer 轴承
mmkNkNr/minkg--
30721958,5486,211000120000,38NUP 306 ECNJ *-

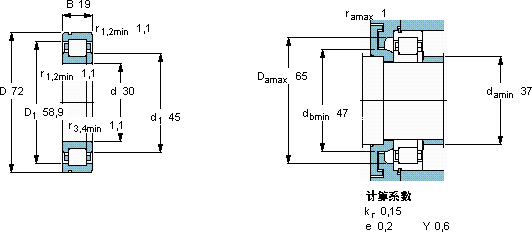
SKF NUP 306 ECNJ *轴承尺寸图纸

李工:138-8949-5179

刘工:135-0428-8802

地址:辽宁省大连经济技术开发区现代城3栋-13-13号

在线客服系统