李工:138-8949-5179 刘工:135-0428-8802
型号查询
轴承型号   常见搜索: 6030轴承 6205轴承 6309轴承 6026轴承 6909轴承 6006轴承
型号查询 X

轴承专区

Bearings Center

BB1B 363472轴承-SKF BB1B 363472轴承尺寸、图纸、价格

SKF BB1B 363472轴承

产品名称:BB1B 363472轴承 品牌:SKF
类型:SKF轴承 > 滚动轴承 > 深沟球轴承
描述:BB1B 363472轴承是【SKF轴承 > 滚动轴承 > 深沟球轴承】的型号,主要用在各种产业机械、罗茨鼓风机、发电机、建筑机械、各类产业用减速机、制铁制钢机械、发电厂、电子、堆取料机、冶金起重机等各大领域

 电话/微信:138-8949-5179

SKF BB1B 363472轴承详细信息

BB1B 363472轴承是【SKF轴承 > 滚动轴承 > 深沟球轴承】的型号,主要用在各种产业机械、罗茨鼓风机、发电机、建筑机械、各类产业用减速机、制铁制钢机械、发电厂、电子、堆取料机、冶金起重机等各大领域。

SKF BB1B 363472轴承详细参数

深沟球轴承, 单列, 无密封件
主要数据尺寸基本负荷额定值疲劳负荷限值额定速度体积型号
动态静态参照速度限制速度
dDBCC0Pu
mmkNkNr/minkg-
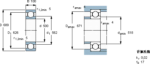
500689100475865151700480110BB1B 363472

SKF BB1B 363472轴承尺寸图纸

李工:138-8949-5179

刘工:135-0428-8802

地址:辽宁省大连经济技术开发区现代城3栋-13-13号

在线客服系统