李工:138-8949-5179 刘工:135-0428-8802
型号查询
轴承型号   常见搜索: 6012轴承 6002轴承 *轴承 688a轴承 6003轴承 7014轴承
型号查询 X

轴承专区

Bearings Center

FYRP 1.3/4 H-18轴承-SKF FYRP 1.3/4 H-18轴承尺寸、图纸、价格

SKF FYRP 1.3/4 H-18轴承

产品名称:FYRP 1.3/4 H-18轴承 品牌:SKF
类型:SKF轴承 > 轴承单元 > 法兰滚子轴承单元
描述:FYRP 1.3/4 H-18轴承是【SKF轴承 > 轴承单元 > 法兰滚子轴承单元】的型号,主要用在建筑机械、各类变速器、汽车发动机、铁路车辆、轧钢机齿轮箱座、机床等的变速装置、成形机、洗染、压路机、港口起重机等各大领域

 电话/微信:138-8949-5179

SKF FYRP 1.3/4 H-18轴承详细信息

FYRP 1.3/4 H-18轴承是【SKF轴承 > 轴承单元 > 法兰滚子轴承单元】的型号,主要用在建筑机械、各类变速器、汽车发动机、铁路车辆、轧钢机齿轮箱座、机床等的变速装置、成形机、洗染、压路机、港口起重机等各大领域。

SKF FYRP 1.3/4 H-18轴承详细参数

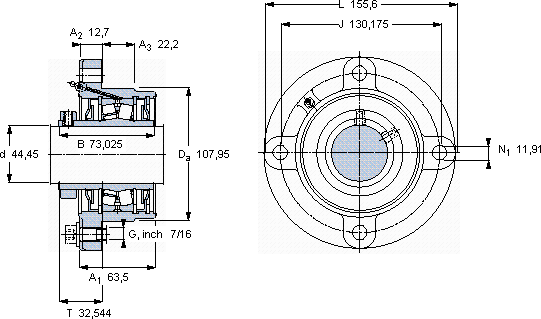
带法兰的滚子轴承单元, 锁定套和插口,用于英制的轴, locating units, labyrinth seals
尺寸尺寸 [英寸]限制速度质量型号轴承,基本型号
动态静态
daA1JLTCC0
mmkNr/minkg--
44,4563,5130,175155,632,5447788,153003,49FYRP 1.3/4 H-1822209

SKF FYRP 1.3/4 H-18轴承尺寸图纸

李工:138-8949-5179

刘工:135-0428-8802

地址:辽宁省大连经济技术开发区现代城3栋-13-13号

在线客服系统