轴承专区
Bearings Center
7215 BEGAY轴承-SKF 7215 BEGAY轴承尺寸、图纸、价格
SKF 7215 BEGAY轴承
| 产品名称: | 7215 BEGAY轴承 | 品牌: | SKF |
|---|---|---|---|
| 类型: | SKF轴承 > 滚动轴承 > 角接触球轴承 | ||
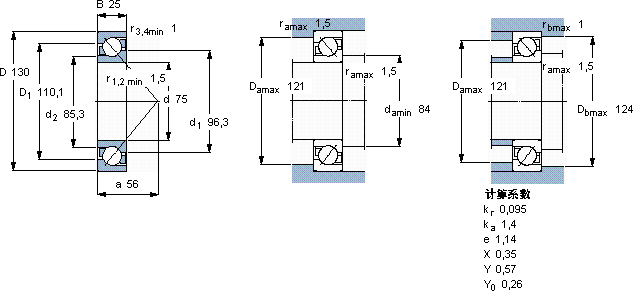
| 描述: | 7215 BEGAY轴承是【SKF轴承 > 滚动轴承 > 角接触球轴承】的型号,主要用在燃汽轮机、各类变速器、挖土机履带轮、铁路车辆、轧钢机齿轮箱座、机床等的变速装置、电机厂、音像设备、工程船舶、抓钢机等各大领域 | ||
电话/微信:138-8949-5179
SKF 7215 BEGAY轴承详细信息
7215 BEGAY轴承是【SKF轴承 > 滚动轴承 > 角接触球轴承】的型号,主要用在燃汽轮机、各类变速器、挖土机履带轮、铁路车辆、轧钢机齿轮箱座、机床等的变速装置、电机厂、音像设备、工程船舶、抓钢机等各大领域。
SKF 7215 BEGAY轴承详细参数
| 角接触球轴承, 单列 | |||||||||||
| 主要数据尺寸 | 尺寸 [英寸] | 疲劳负荷限值 | 额定速度 | 体积 | 型号 | ||||||
| 动态 | 静态 | 参照速度 | 限制速度 | ||||||||
| d | D | B | C | C0 | Pu | ||||||
| mm | kN | kN | r/min | kg | - | ||||||
| 75 | 130 | 25 | 72,8 | 64 | 2,65 | 5600 | 5600 | 1,26 | 7215 BEGAY | ||
SKF 7215 BEGAY轴承尺寸图纸

