李工:138-8949-5179 刘工:135-0428-8802
型号查询
轴承型号   常见搜索: *轴承 6024轴承 6010轴承 688a轴承 32313轴承 6005轴承
型号查询 X

轴承专区

Bearings Center

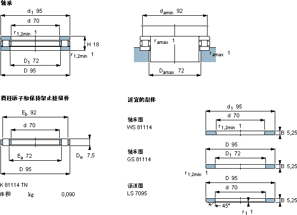
81114 TN轴承-SKF 81114 TN轴承尺寸、图纸、价格

SKF 81114 TN轴承

产品名称:81114 TN轴承 品牌:SKF
类型:SKF轴承 > 滚动轴承 > 圆柱滚子推力轴承
描述:81114 TN轴承是【SKF轴承 > 滚动轴承 > 圆柱滚子推力轴承】的型号,主要用在装卸搬运机械、离心分离机、发电机、变速器、减速装置、石油钻机转环、矿山、电子、凿岩机械、摩天轮等各大领域

 电话/微信:138-8949-5179

SKF 81114 TN轴承详细信息

81114 TN轴承是【SKF轴承 > 滚动轴承 > 圆柱滚子推力轴承】的型号,主要用在装卸搬运机械、离心分离机、发电机、变速器、减速装置、石油钻机转环、矿山、电子、凿岩机械、摩天轮等各大领域。

SKF 81114 TN轴承详细参数

圆柱滚子推力轴承, 轴承 / 圆柱滚子和保持架止推组件
主要数据尺寸基本负荷额定值疲劳负荷限值最小负荷系数额定速度体积型号
动态静态参照速度限制速度轴承圆柱滚子和保持架止推组件
dDHCC0PuA
mmkNkN-r/minkg-
70951886,534534,50,0095170034000,3381114 TNK 81114 TN

SKF 81114 TN轴承尺寸图纸

李工:138-8949-5179

刘工:135-0428-8802

地址:辽宁省大连经济技术开发区现代城3栋-13-13号

在线客服系统