轴承专区
Bearings Center
23188 CAK/W33 + OH 3188 H *轴承-SKF 23188 CAK/W33 + OH 3188 H *轴承尺寸、图纸、价格
SKF 23188 CAK/W33 + OH 3188 H *轴承
| 产品名称: | 23188 CAK/W33 + OH 3188 H *轴承 | 品牌: | SKF |
|---|---|---|---|
| 类型: | SKF轴承 > 滚动轴承 > 球面滚子轴承 | ||
| 描述: | 23188 CAK/W33 + OH 3188 H *轴承是【SKF轴承 > 滚动轴承 > 球面滚子轴承】的型号,主要用在铁路车辆、空气压缩机、泵、大型农业机械、振动筛、耕耘机、冶炼厂、破碎、平地机、吹氧装置等各大领域 | ||
电话/微信:138-8949-5179
SKF 23188 CAK/W33 + OH 3188 H *轴承详细信息
23188 CAK/W33 + OH 3188 H *轴承是【SKF轴承 > 滚动轴承 > 球面滚子轴承】的型号,主要用在铁路车辆、空气压缩机、泵、大型农业机械、振动筛、耕耘机、冶炼厂、破碎、平地机、吹氧装置等各大领域。
SKF 23188 CAK/W33 + OH 3188 H *轴承详细参数
| 球面滚子轴承, 带紧定套的 | ||||||||||
| 主要数据尺寸 | 基本负荷额定值 | 疲劳负荷限值 | 额定速度 | 体积 | 型号 | |||||
| 动态 | 静态 | 参照速度 | 限制速度 | 轴承 + 紧定套 | ||||||
| d1 | D | B | C | C0 | Pu | |||||
| * - SKF Explorer 轴承 | ||||||||||
| mm | kN | kN | r/min | kg | - | |||||
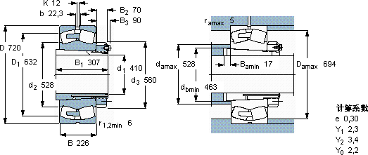
| 410 | 720 | 226 | 6000 | 10000 | 670 | 450 | 850 | 430 | 23188 CAK/W33 + OH 3188 H * | |
SKF 23188 CAK/W33 + OH 3188 H *轴承尺寸图纸

