轴承专区
Bearings Center
7415 BCBM轴承-SKF 7415 BCBM轴承尺寸、图纸、价格
SKF 7415 BCBM轴承
| 产品名称: | 7415 BCBM轴承 | 品牌: | SKF |
|---|---|---|---|
| 类型: | SKF轴承 > 滚动轴承 > 角接触球轴承 | ||
| 描述: | 7415 BCBM轴承是【SKF轴承 > 滚动轴承 > 角接触球轴承】的型号,主要用在装卸搬运机械、罗茨鼓风机、汽车发动机、建筑机械、轧钢机齿轮箱座、石油钻机转环、矿山、精细化工机械、凿岩机械、伽玛等各大领域 | ||
电话/微信:138-8949-5179
SKF 7415 BCBM轴承详细信息
7415 BCBM轴承是【SKF轴承 > 滚动轴承 > 角接触球轴承】的型号,主要用在装卸搬运机械、罗茨鼓风机、汽车发动机、建筑机械、轧钢机齿轮箱座、石油钻机转环、矿山、精细化工机械、凿岩机械、伽玛等各大领域。
SKF 7415 BCBM轴承详细参数
| 角接触球轴承, 单列 | |||||||||||
| 主要数据尺寸 | 尺寸 [英寸] | 疲劳负荷限值 | 额定速度 | 体积 | 型号 | ||||||
| 动态 | 静态 | 参照速度 | 限制速度 | ||||||||
| d | D | B | C | C0 | Pu | ||||||
| mm | kN | kN | r/min | kg | - | ||||||
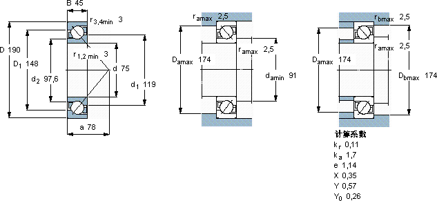
| 75 | 190 | 45 | 168 | 140 | 5,1 | 4300 | 4500 | 6,85 | 7415 BCBM | ||
SKF 7415 BCBM轴承尺寸图纸

