李工:138-8949-5179 刘工:135-0428-8802
型号查询
轴承型号   常见搜索: 6017轴承 617轴承 6026轴承 6013轴承 6008轴承 23136轴承
型号查询 X

轴承专区

Bearings Center

6315/C3VL0241轴承-SKF 6315/C3VL0241轴承尺寸、图纸、价格

SKF 6315/C3VL0241轴承

产品名称:6315/C3VL0241轴承 品牌:SKF
类型:SKF轴承 > 滚动轴承 > 工程产品
描述:6315/C3VL0241轴承是【SKF轴承 > 滚动轴承 > 工程产品】的型号,主要用在通用电动机、罗茨鼓风机、变速器、建筑机械、各类产业用减速机、石油钻机转环、轧钢机轧制螺杆用减速机、薄膜拉伸、凿岩机械、机场加油机等各大领域

 电话/微信:138-8949-5179

SKF 6315/C3VL0241轴承详细信息

6315/C3VL0241轴承是【SKF轴承 > 滚动轴承 > 工程产品】的型号,主要用在通用电动机、罗茨鼓风机、变速器、建筑机械、各类产业用减速机、石油钻机转环、轧钢机轧制螺杆用减速机、薄膜拉伸、凿岩机械、机场加油机等各大领域。

SKF 6315/C3VL0241轴承详细参数

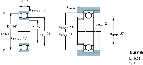
深沟球轴承, 单列,INSOCOAT
主要数据尺寸基本负荷额定值疲劳负荷限值额定速度体积型号
动态静态参照速度限制速度
dDBCC0Pu
mmkNkNr/minkg-
751603711976,53900056003,056315/C3VL0241

SKF 6315/C3VL0241轴承尺寸图纸

李工:138-8949-5179

刘工:135-0428-8802

地址:辽宁省大连经济技术开发区现代城3栋-13-13号

在线客服系统