轴承专区
Bearings Center
61912轴承-SKF 61912轴承尺寸、图纸、价格
SKF 61912轴承
| 产品名称: | 61912轴承 | 品牌: | SKF |
|---|---|---|---|
| 类型: | SKF轴承 > 滚动轴承 > 深沟球轴承 | ||
| 描述: | 61912轴承是【SKF轴承 > 滚动轴承 > 深沟球轴承】的型号,主要用在仪表、离心分离机、变速器、变速器、印刷机械、石油钻机转环、碾煤机、化纤机械、凿岩机械、坦克等各大领域 | ||
电话/微信:138-8949-5179
SKF 61912轴承详细信息
61912轴承是【SKF轴承 > 滚动轴承 > 深沟球轴承】的型号,主要用在仪表、离心分离机、变速器、变速器、印刷机械、石油钻机转环、碾煤机、化纤机械、凿岩机械、坦克等各大领域。
SKF 61912轴承详细参数
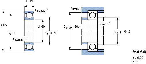
| 深沟球轴承, 单列, 无密封件 | |||||||||||
| 主要数据尺寸 | 基本负荷额定值 | 疲劳负荷限值 | 额定速度 | 体积 | 型号 | ||||||
| 动态 | 静态 | 参照速度 | 限制速度 | ||||||||
| d | D | B | C | C0 | Pu | ||||||
| mm | kN | kN | r/min | kg | - | ||||||
| 60 | 85 | 13 | 16,5 | 14,3 | 0,6 | 16000 | 10000 | 0,20 | 61912 | ||
SKF 61912轴承尺寸图纸

