李工:138-8949-5179 刘工:135-0428-8802
型号查询
轴承型号   常见搜索: 6018轴承 6026轴承 6012轴承 6015轴承 6309轴承 1轴承
型号查询 X

轴承专区

Bearings Center

7405 BGAM轴承-SKF 7405 BGAM轴承尺寸、图纸、价格

SKF 7405 BGAM轴承

产品名称:7405 BGAM轴承 品牌:SKF
类型:SKF轴承 > 滚动轴承 > 角接触球轴承
描述:7405 BGAM轴承是【SKF轴承 > 滚动轴承 > 角接触球轴承】的型号,主要用在铁路车辆、空气压缩机、纺织机械传动轴、大型农业机械、轧钢机辊道子、汽车转向销、冶炼厂、陶瓷机械、掘进机、吹氧装置等各大领域

 电话/微信:138-8949-5179

SKF 7405 BGAM轴承详细信息

7405 BGAM轴承是【SKF轴承 > 滚动轴承 > 角接触球轴承】的型号,主要用在铁路车辆、空气压缩机、纺织机械传动轴、大型农业机械、轧钢机辊道子、汽车转向销、冶炼厂、陶瓷机械、掘进机、吹氧装置等各大领域。

SKF 7405 BGAM轴承详细参数

角接触球轴承, 单列
主要数据尺寸尺寸 [英寸]疲劳负荷限值额定速度体积型号
动态静态参照速度限制速度
dDBCC0Pu
mmkNkNr/minkg-
25802139,723,6111000110000,617405 BGAM

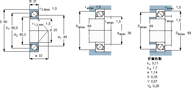
SKF 7405 BGAM轴承尺寸图纸

李工:138-8949-5179

刘工:135-0428-8802

地址:辽宁省大连经济技术开发区现代城3栋-13-13号

在线客服系统