李工:138-8949-5179 刘工:135-0428-8802
型号查询
轴承型号   常见搜索: 6007轴承 6026轴承 6008轴承 6015轴承 22222轴承 6017轴承
型号查询 X

轴承专区

Bearings Center

7311 BECBY/W64轴承-SKF 7311 BECBY/W64轴承尺寸、图纸、价格

SKF 7311 BECBY/W64轴承

产品名称:7311 BECBY/W64轴承 品牌:SKF
类型:SKF轴承 > 滚动轴承 > 角接触球轴承
描述:7311 BECBY/W64轴承是【SKF轴承 > 滚动轴承 > 角接触球轴承】的型号,主要用在后轮、燃汽轮机、纺织机械传动轴、后轮、造纸机械、石油钻机、水力发电机、医药设备、解体机、焊接机器人等各大领域

 电话/微信:138-8949-5179

SKF 7311 BECBY/W64轴承详细信息

7311 BECBY/W64轴承是【SKF轴承 > 滚动轴承 > 角接触球轴承】的型号,主要用在后轮、燃汽轮机、纺织机械传动轴、后轮、造纸机械、石油钻机、水力发电机、医药设备、解体机、焊接机器人等各大领域。

SKF 7311 BECBY/W64轴承详细参数

角接触球轴承, 单列 ,含Solid Oil
主要数据尺寸基本负荷额定值疲劳负荷限值限制速度体积型号
动态静态
dDBCC0Pu
mmkNkNr/minkg-
551202985,2602,5517001,487311 BECBY/W64

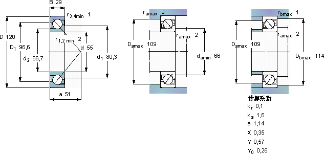
SKF 7311 BECBY/W64轴承尺寸图纸

李工:138-8949-5179

刘工:135-0428-8802

地址:辽宁省大连经济技术开发区现代城3栋-13-13号

在线客服系统