李工:138-8949-5179 刘工:135-0428-8802
型号查询
轴承型号   常见搜索: 6024轴承 6005轴承 6008轴承 6010轴承 6016轴承 6030轴承
型号查询 X

轴承专区

Bearings Center

7307 BEGAP *轴承-SKF 7307 BEGAP *轴承尺寸、图纸、价格

SKF 7307 BEGAP *轴承

产品名称:7307 BEGAP *轴承 品牌:SKF
类型:SKF轴承 > 滚动轴承 > 角接触球轴承
描述:7307 BEGAP *轴承是【SKF轴承 > 滚动轴承 > 角接触球轴承】的型号,主要用在通用电动机、各类变速器、压缩机、铁路车辆、减速装置、机床等的变速装置、轧钢机轧制螺杆用减速机、化纤机械、工程船舶、太阳能发电设备等各大领域

 电话/微信:138-8949-5179

SKF 7307 BEGAP *轴承详细信息

7307 BEGAP *轴承是【SKF轴承 > 滚动轴承 > 角接触球轴承】的型号,主要用在通用电动机、各类变速器、压缩机、铁路车辆、减速装置、机床等的变速装置、轧钢机轧制螺杆用减速机、化纤机械、工程船舶、太阳能发电设备等各大领域。

SKF 7307 BEGAP *轴承详细参数

角接触球轴承, 单列
主要数据尺寸尺寸 [英寸]疲劳负荷限值额定速度体积型号
动态静态参照速度限制速度
dDBCC0Pu * - SKF Explorer 轴承
mmkNkNr/minkg-
35802141,526,51,1411000110000,457307 BEGAP *

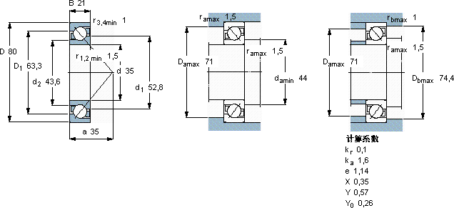
SKF 7307 BEGAP *轴承尺寸图纸

李工:138-8949-5179

刘工:135-0428-8802

地址:辽宁省大连经济技术开发区现代城3栋-13-13号

在线客服系统