轴承专区
Bearings Center
7306 BEGAM *轴承-SKF 7306 BEGAM *轴承尺寸、图纸、价格
SKF 7306 BEGAM *轴承
| 产品名称: | 7306 BEGAM *轴承 | 品牌: | SKF |
|---|---|---|---|
| 类型: | SKF轴承 > 滚动轴承 > 角接触球轴承 | ||
| 描述: | 7306 BEGAM *轴承是【SKF轴承 > 滚动轴承 > 角接触球轴承】的型号,主要用在装卸搬运机械、印刷机械、发电机、轧钢机辊颈、各类产业用减速机、石油钻机转环、矿山、医药设备、凿岩机械、风力发电设备等各大领域 | ||
电话/微信:138-8949-5179
SKF 7306 BEGAM *轴承详细信息
7306 BEGAM *轴承是【SKF轴承 > 滚动轴承 > 角接触球轴承】的型号,主要用在装卸搬运机械、印刷机械、发电机、轧钢机辊颈、各类产业用减速机、石油钻机转环、矿山、医药设备、凿岩机械、风力发电设备等各大领域。
SKF 7306 BEGAM *轴承详细参数
| 角接触球轴承, 单列 | |||||||||||
| 主要数据尺寸 | 尺寸 [英寸] | 疲劳负荷限值 | 额定速度 | 体积 | 型号 | ||||||
| 动态 | 静态 | 参照速度 | 限制速度 | ||||||||
| d | D | B | C | C0 | Pu | * - SKF Explorer 轴承 | |||||
| mm | kN | kN | r/min | kg | - | ||||||
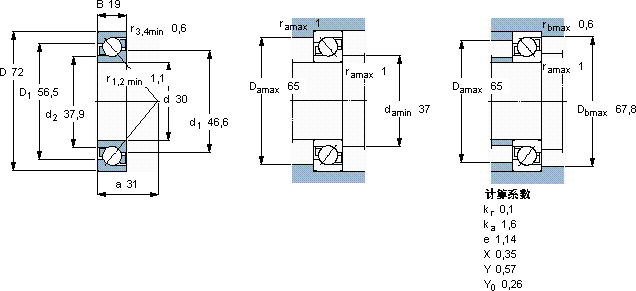
| 30 | 72 | 19 | 35,5 | 21,2 | 0,9 | 13000 | 13000 | 0,37 | 7306 BEGAM * | ||
SKF 7306 BEGAM *轴承尺寸图纸

