李工:138-8949-5179 刘工:135-0428-8802
型号查询
轴承型号   常见搜索: 1轴承 6014轴承 6005轴承 71913轴承 6002轴承 3214轴承
型号查询 X

轴承专区

Bearings Center

RMS 22轴承-SKF RMS 22轴承尺寸、图纸、价格

SKF RMS 22轴承

产品名称:RMS 22轴承 品牌:SKF
类型:SKF轴承 > 滚动轴承 > 深沟球轴承
描述:RMS 22轴承是【SKF轴承 > 滚动轴承 > 深沟球轴承】的型号,主要用在后轮、油泵、汽车发动机、机床主轴、木工机械、石油钻机、水力发电机、化纤机械、给料机械、港口起重机等各大领域

 电话/微信:138-8949-5179

SKF RMS 22轴承详细信息

RMS 22轴承是【SKF轴承 > 滚动轴承 > 深沟球轴承】的型号,主要用在后轮、油泵、汽车发动机、机床主轴、木工机械、石油钻机、水力发电机、化纤机械、给料机械、港口起重机等各大领域。

SKF RMS 22轴承详细参数

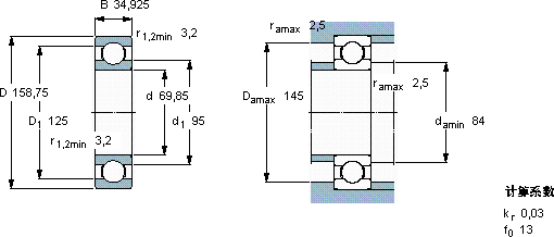
深沟球轴承, 单列, 无密封件,带英制尺寸
主要数据尺寸基本负荷额定值疲劳负荷限值额定速度体积型号
动态静态参照速度限制速度
dDBCC0Pu
mmkNkNr/minkg-
69,85158,7534,925104682,75900063003,00RMS 22仅对售后市场

SKF RMS 22轴承尺寸图纸

李工:138-8949-5179

刘工:135-0428-8802

地址:辽宁省大连经济技术开发区现代城3栋-13-13号

在线客服系统