李工:138-8949-5179 刘工:135-0428-8802
型号查询
轴承型号   常见搜索: 6304轴承 6026轴承 6003轴承 1轴承 6214轴承 6305轴承
型号查询 X

轴承专区

Bearings Center

1212 EKTN9 + H 212轴承-SKF 1212 EKTN9 + H 212轴承尺寸、图纸、价格

SKF 1212 EKTN9 + H 212轴承

产品名称:1212 EKTN9 + H 212轴承 品牌:SKF
类型:SKF轴承 > 滚动轴承 > 自调心球轴承
描述:1212 EKTN9 + H 212轴承是【SKF轴承 > 滚动轴承 > 自调心球轴承】的型号,主要用在变速器、差速器小齿轮轴、泵、小齿轮轴、印刷机械、机床等的变速装置、立式电动机、洗染、工程船舶、吹氧装置等各大领域

 电话/微信:138-8949-5179

SKF 1212 EKTN9 + H 212轴承详细信息

1212 EKTN9 + H 212轴承是【SKF轴承 > 滚动轴承 > 自调心球轴承】的型号,主要用在变速器、差速器小齿轮轴、泵、小齿轮轴、印刷机械、机床等的变速装置、立式电动机、洗染、工程船舶、吹氧装置等各大领域。

SKF 1212 EKTN9 + H 212轴承详细参数

自调心球轴承, 带紧定套, 无密封件
主要数据尺寸基本负荷额定值疲劳负荷限值额定速度体积型号
动态静态参照速度限制速度轴承 + 紧定套
d1DBCC0Pu
mmkNkNr/minkg-
551102231,212,20,621200085001,201212 EKTN9 + H 212

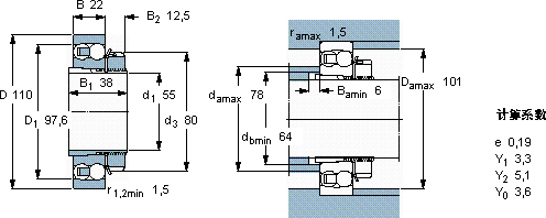
SKF 1212 EKTN9 + H 212轴承尺寸图纸

李工:138-8949-5179

刘工:135-0428-8802

地址:辽宁省大连经济技术开发区现代城3栋-13-13号

在线客服系统