轴承专区
Bearings Center
6321-Z轴承-SKF 6321-Z轴承尺寸、图纸、价格
SKF 6321-Z轴承
| 产品名称: | 6321-Z轴承 | 品牌: | SKF |
|---|---|---|---|
| 类型: | SKF轴承 > 滚动轴承 > 深沟球轴承 | ||
| 描述: | 6321-Z轴承是【SKF轴承 > 滚动轴承 > 深沟球轴承】的型号,主要用在农业机械、小型汽车前轮、中型及大型电动机、差速器、振动筛、耕耘机、钢铁厂、制鞋、地基处理机械、机场加油机等各大领域 | ||
电话/微信:138-8949-5179
SKF 6321-Z轴承详细信息
6321-Z轴承是【SKF轴承 > 滚动轴承 > 深沟球轴承】的型号,主要用在农业机械、小型汽车前轮、中型及大型电动机、差速器、振动筛、耕耘机、钢铁厂、制鞋、地基处理机械、机场加油机等各大领域。
SKF 6321-Z轴承详细参数
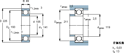
| 深沟球轴承, 单列, 单面防尘罩 | |||||||||||
| 主要数据尺寸 | 基本负荷额定值 | 疲劳负荷限值 | 额定速度 | 体积 | 型号 | ||||||
| 动态 | 静态 | 参照速度 | 限制速度 | ||||||||
| d | D | B | C | C0 | Pu | ||||||
| mm | kN | kN | r/min | kg | - | ||||||
| 105 | 225 | 49 | 182 | 153 | 5,1 | 6300 | 4000 | 8,25 | 6321-Z | ||
SKF 6321-Z轴承尺寸图纸

