李工:138-8949-5179 刘工:135-0428-8802
型号查询
轴承型号   常见搜索: 22222轴承 6002轴承 617轴承 6009轴承 6022轴承 6026轴承
型号查询 X

轴承专区

Bearings Center

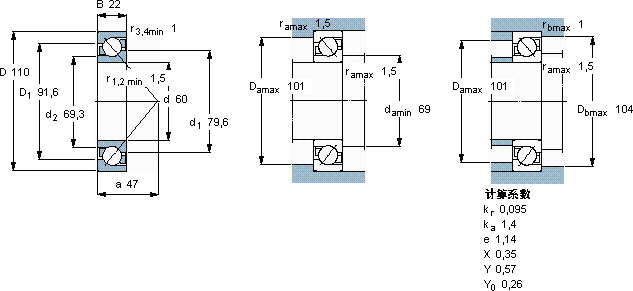
7212 BECBP *轴承-SKF 7212 BECBP *轴承尺寸、图纸、价格

SKF 7212 BECBP *轴承

产品名称:7212 BECBP *轴承 品牌:SKF
类型:SKF轴承 > 滚动轴承 > 角接触球轴承
描述:7212 BECBP *轴承是【SKF轴承 > 滚动轴承 > 角接触球轴承】的型号,主要用在电气装置部件、机床主轴、汽车发动机、汽车、铁路车辆车轴、耕耘机、船舶用螺旋桨轴、烟草机械、地基处理机械、摩天轮等各大领域

 电话/微信:138-8949-5179

SKF 7212 BECBP *轴承详细信息

7212 BECBP *轴承是【SKF轴承 > 滚动轴承 > 角接触球轴承】的型号,主要用在电气装置部件、机床主轴、汽车发动机、汽车、铁路车辆车轴、耕耘机、船舶用螺旋桨轴、烟草机械、地基处理机械、摩天轮等各大领域。

SKF 7212 BECBP *轴承详细参数

角接触球轴承, 单列
主要数据尺寸尺寸 [英寸]疲劳负荷限值额定速度体积型号
动态静态参照速度限制速度
dDBCC0Pu * - SKF Explorer 轴承
mmkNkNr/minkg-
601102261502,12750075000,787212 BECBP *

SKF 7212 BECBP *轴承尺寸图纸

李工:138-8949-5179

刘工:135-0428-8802

地址:辽宁省大连经济技术开发区现代城3栋-13-13号

在线客服系统