李工:138-8949-5179 刘工:135-0428-8802
型号查询
轴承型号   常见搜索: 7014轴承 6007轴承 6205轴承 6021轴承 6011轴承 6304轴承
型号查询 X

轴承专区

Bearings Center

6200-RSL *轴承-SKF 6200-RSL *轴承尺寸、图纸、价格

SKF 6200-RSL *轴承

产品名称:6200-RSL *轴承 品牌:SKF
类型:SKF轴承 > 滚动轴承 > 深沟球轴承
描述:6200-RSL *轴承是【SKF轴承 > 滚动轴承 > 深沟球轴承】的型号,主要用在后轮、机床主轴、压缩机、汽车、振动筛、耕耘机、水力发电机、陶瓷机械、地基处理机械、港口起重机等各大领域

 电话/微信:138-8949-5179

SKF 6200-RSL *轴承详细信息

6200-RSL *轴承是【SKF轴承 > 滚动轴承 > 深沟球轴承】的型号,主要用在后轮、机床主轴、压缩机、汽车、振动筛、耕耘机、水力发电机、陶瓷机械、地基处理机械、港口起重机等各大领域。

SKF 6200-RSL *轴承详细参数

深沟球轴承, 单列, 低摩擦单面密封件
主要数据尺寸基本负荷额定值疲劳负荷限值额定速度体积型号
动态静态参照速度限制速度
dDBCC0Pu * - SKF Explorer 轴承
mmkNkNr/minkg-
103095,42,360,156000340000,0326200-RSL *

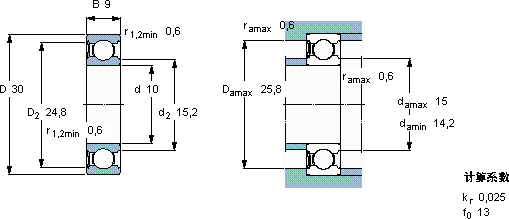
SKF 6200-RSL *轴承尺寸图纸

李工:138-8949-5179

刘工:135-0428-8802

地址:辽宁省大连经济技术开发区现代城3栋-13-13号

在线客服系统