李工:138-8949-5179 刘工:135-0428-8802
型号查询
轴承型号   常见搜索: 6011轴承 *轴承 6032轴承 22222轴承 6030轴承 3214轴承
型号查询 X

轴承专区

Bearings Center

7210 BECBJ轴承-SKF 7210 BECBJ轴承尺寸、图纸、价格

SKF 7210 BECBJ轴承

产品名称:7210 BECBJ轴承 品牌:SKF
类型:SKF轴承 > 滚动轴承 > 角接触球轴承
描述:7210 BECBJ轴承是【SKF轴承 > 滚动轴承 > 角接触球轴承】的型号,主要用在内燃机、空气压缩机、汽车发动机、大型农业机械、造纸机械、汽车转向销、挤压机、制鞋、掘进机、数控设备等各大领域

 电话/微信:138-8949-5179

SKF 7210 BECBJ轴承详细信息

7210 BECBJ轴承是【SKF轴承 > 滚动轴承 > 角接触球轴承】的型号,主要用在内燃机、空气压缩机、汽车发动机、大型农业机械、造纸机械、汽车转向销、挤压机、制鞋、掘进机、数控设备等各大领域。

SKF 7210 BECBJ轴承详细参数

角接触球轴承, 单列
主要数据尺寸尺寸 [英寸]疲劳负荷限值额定速度体积型号
动态静态参照速度限制速度
dDBCC0Pu
mmkNkNr/minkg-
5090203930,51,29850085000,477210 BECBJ

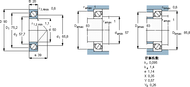
SKF 7210 BECBJ轴承尺寸图纸

李工:138-8949-5179

刘工:135-0428-8802

地址:辽宁省大连经济技术开发区现代城3栋-13-13号

在线客服系统