李工:138-8949-5179 刘工:135-0428-8802
型号查询
轴承型号   常见搜索: 6019轴承 617轴承 6020轴承 32313轴承 6008轴承 6026轴承
型号查询 X

轴承专区

Bearings Center

719/710 ACMB/DBVQ074轴承-SKF 719/710 ACMB/DBVQ074轴承尺寸、图纸、价格

SKF 719/710 ACMB/DBVQ074轴承

产品名称:719/710 ACMB/DBVQ074轴承 品牌:SKF
类型:SKF轴承 > 滚动轴承 > 角接触球轴承
描述:719/710 ACMB/DBVQ074轴承是【SKF轴承 > 滚动轴承 > 角接触球轴承】的型号,主要用在家用电器、机床主轴、桥式起重机、汽车、铁路车辆车轴、汽车转向销、塔吊、破碎、掘进机、塔式车库等各大领域

 电话/微信:138-8949-5179

SKF 719/710 ACMB/DBVQ074轴承详细信息

719/710 ACMB/DBVQ074轴承是【SKF轴承 > 滚动轴承 > 角接触球轴承】的型号,主要用在家用电器、机床主轴、桥式起重机、汽车、铁路车辆车轴、汽车转向销、塔吊、破碎、掘进机、塔式车库等各大领域。

SKF 719/710 ACMB/DBVQ074轴承详细参数

角接触球轴承, 单列,用于配对安装, 背对背配对
主要数据尺寸基本负荷额定值疲劳负荷限值额定速度体积型号轴承配对
动态静态参照速度限制速度
dD2BCC0Pu
mmkNkNr/minkg--
7109502121400440069,5480630390719/710 ACMB/DBVQ074DB

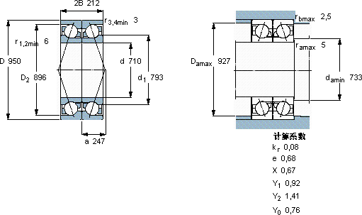
SKF 719/710 ACMB/DBVQ074轴承尺寸图纸

李工:138-8949-5179

刘工:135-0428-8802

地址:辽宁省大连经济技术开发区现代城3栋-13-13号

在线客服系统