李工:138-8949-5179 刘工:135-0428-8802
型号查询
轴承型号   常见搜索: 6021轴承 6008轴承 6009轴承 6013轴承 6002轴承 22222轴承
型号查询 X

轴承专区

Bearings Center

23184 CKJ/W33 + OH 3184 H *轴承-SKF 23184 CKJ/W33 + OH 3184 H *轴承尺寸、图纸、价格

SKF 23184 CKJ/W33 + OH 3184 H *轴承

产品名称:23184 CKJ/W33 + OH 3184 H *轴承 品牌:SKF
类型:SKF轴承 > 滚动轴承 > 球面滚子轴承
描述:23184 CKJ/W33 + OH 3184 H *轴承是【SKF轴承 > 滚动轴承 > 球面滚子轴承】的型号,主要用在家用电器、小型汽车前轮、燃汽轮机、差速器、铁路车辆车轴、汽车转向销、塔吊、烟草机械、土方机械、冶金起重机等各大领域

 电话/微信:138-8949-5179

SKF 23184 CKJ/W33 + OH 3184 H *轴承详细信息

23184 CKJ/W33 + OH 3184 H *轴承是【SKF轴承 > 滚动轴承 > 球面滚子轴承】的型号,主要用在家用电器、小型汽车前轮、燃汽轮机、差速器、铁路车辆车轴、汽车转向销、塔吊、烟草机械、土方机械、冶金起重机等各大领域。

SKF 23184 CKJ/W33 + OH 3184 H *轴承详细参数

球面滚子轴承, 带紧定套的
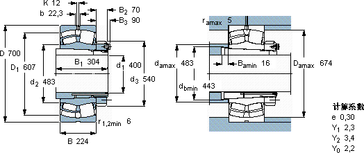
主要数据尺寸基本负荷额定值疲劳负荷限值额定速度体积型号
动态静态参照速度限制速度轴承 + 紧定套
d1DBCC0Pu
* - SKF Explorer 轴承
mmkNkNr/minkg-
4007002245600930062048090041023184 CKJ/W33 + OH 3184 H *

SKF 23184 CKJ/W33 + OH 3184 H *轴承尺寸图纸

李工:138-8949-5179

刘工:135-0428-8802

地址:辽宁省大连经济技术开发区现代城3栋-13-13号

在线客服系统