轴承专区
Bearings Center
718/600 AC/DBVQ074轴承-SKF 718/600 AC/DBVQ074轴承尺寸、图纸、价格
SKF 718/600 AC/DBVQ074轴承
| 产品名称: | 718/600 AC/DBVQ074轴承 | 品牌: | SKF |
|---|---|---|---|
| 类型: | SKF轴承 > 滚动轴承 > 角接触球轴承 | ||
| 描述: | 718/600 AC/DBVQ074轴承是【SKF轴承 > 滚动轴承 > 角接触球轴承】的型号,主要用在装卸搬运机械、离心分离机、中型及大型电动机、变速器、轧钢机齿轮箱座、石油钻机转环、矿山、电子、轻工机械、摩天轮等各大领域 | ||
电话/微信:138-8949-5179
SKF 718/600 AC/DBVQ074轴承详细信息
718/600 AC/DBVQ074轴承是【SKF轴承 > 滚动轴承 > 角接触球轴承】的型号,主要用在装卸搬运机械、离心分离机、中型及大型电动机、变速器、轧钢机齿轮箱座、石油钻机转环、矿山、电子、轻工机械、摩天轮等各大领域。
SKF 718/600 AC/DBVQ074轴承详细参数
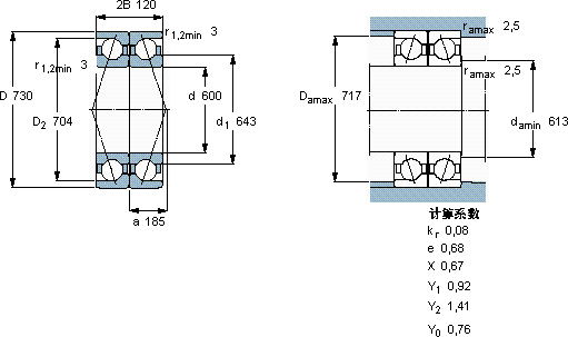
| 角接触球轴承, 单列,用于配对安装, 背对背配对 | |||||||||||
| 主要数据尺寸 | 基本负荷额定值 | 疲劳负荷限值 | 额定速度 | 体积 | 型号 | 轴承配对 | |||||
| 动态 | 静态 | 参照速度 | 限制速度 | ||||||||
| d | D | 2B | C | C0 | Pu | ||||||
| mm | kN | kN | r/min | kg | - | - | |||||
| 600 | 730 | 120 | 761 | 2320 | 38 | 630 | 850 | 94,0 | 718/600 AC/DBVQ074 | DB | |
SKF 718/600 AC/DBVQ074轴承尺寸图纸

