李工:138-8949-5179 刘工:135-0428-8802
型号查询
轴承型号   常见搜索: 6003轴承 6006轴承 6305轴承 6004轴承 32313轴承 6900轴承
型号查询 X

轴承专区

Bearings Center

7226 BCBM轴承-SKF 7226 BCBM轴承尺寸、图纸、价格

SKF 7226 BCBM轴承

产品名称:7226 BCBM轴承 品牌:SKF
类型:SKF轴承 > 滚动轴承 > 角接触球轴承
描述:7226 BCBM轴承是【SKF轴承 > 滚动轴承 > 角接触球轴承】的型号,主要用在装卸搬运机械、离心分离机、发电机、变速器、轧钢机齿轮箱座、制铁制钢机械、矿山、玩具、堆取料机、摩天轮等各大领域

 电话/微信:138-8949-5179

SKF 7226 BCBM轴承详细信息

7226 BCBM轴承是【SKF轴承 > 滚动轴承 > 角接触球轴承】的型号,主要用在装卸搬运机械、离心分离机、发电机、变速器、轧钢机齿轮箱座、制铁制钢机械、矿山、玩具、堆取料机、摩天轮等各大领域。

SKF 7226 BCBM轴承详细参数

角接触球轴承, 单列
主要数据尺寸尺寸 [英寸]疲劳负荷限值额定速度体积型号
动态静态参照速度限制速度
dDBCC0Pu
mmkNkNr/minkg-
130230401861936,1320034006,767226 BCBM

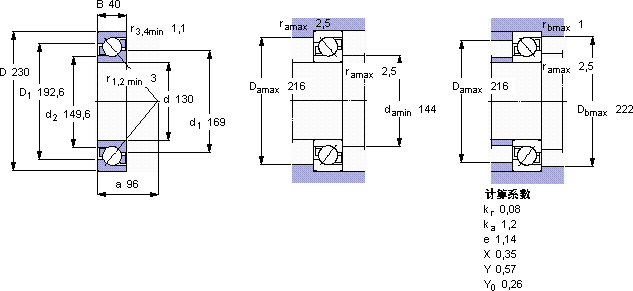
SKF 7226 BCBM轴承尺寸图纸

李工:138-8949-5179

刘工:135-0428-8802

地址:辽宁省大连经济技术开发区现代城3栋-13-13号

在线客服系统