李工:138-8949-5179 刘工:135-0428-8802
型号查询
轴承型号   常见搜索: 6012轴承 6001轴承 6008轴承 1轴承 6028轴承 6014轴承
型号查询 X

轴承专区

Bearings Center

7064 BGM轴承-SKF 7064 BGM轴承尺寸、图纸、价格

SKF 7064 BGM轴承

产品名称:7064 BGM轴承 品牌:SKF
类型:SKF轴承 > 滚动轴承 > 角接触球轴承
描述:7064 BGM轴承是【SKF轴承 > 滚动轴承 > 角接触球轴承】的型号,主要用在家用电器、小型汽车前轮、纺织机械传动轴、差速器、造纸机械、汽车转向销、塔吊、音像设备、掘进机、冶金起重机等各大领域

 电话/微信:138-8949-5179

SKF 7064 BGM轴承详细信息

7064 BGM轴承是【SKF轴承 > 滚动轴承 > 角接触球轴承】的型号,主要用在家用电器、小型汽车前轮、纺织机械传动轴、差速器、造纸机械、汽车转向销、塔吊、音像设备、掘进机、冶金起重机等各大领域。

SKF 7064 BGM轴承详细参数

角接触球轴承, 单列
主要数据尺寸尺寸 [英寸]疲劳负荷限值额定速度体积型号
动态静态参照速度限制速度
dDBCC0Pu
mmkNkNr/minkg-
32048074390670141300140044,57064 BGM

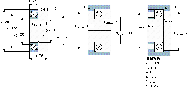
SKF 7064 BGM轴承尺寸图纸

李工:138-8949-5179

刘工:135-0428-8802

地址:辽宁省大连经济技术开发区现代城3栋-13-13号

在线客服系统