李工:138-8949-5179 刘工:135-0428-8802
型号查询
轴承型号   常见搜索: 6024轴承 3214轴承 617轴承 6009轴承 22222轴承 6007轴承
型号查询 X

轴承专区

Bearings Center

219轴承-SKF 219轴承尺寸、图纸、价格

SKF 219轴承

产品名称:219轴承 品牌:SKF
类型:SKF轴承 > 滚动轴承 > 深沟球轴承
描述:219轴承是【SKF轴承 > 滚动轴承 > 深沟球轴承】的型号,主要用在建筑机械、印刷机械、纺织机械传动轴、轧钢机辊颈、印刷机械、石油钻机转环、成形机、薄膜拉伸、凿岩机械、焊接机器人等各大领域

 电话/微信:138-8949-5179

SKF 219轴承详细信息

219轴承是【SKF轴承 > 滚动轴承 > 深沟球轴承】的型号,主要用在建筑机械、印刷机械、纺织机械传动轴、轧钢机辊颈、印刷机械、石油钻机转环、成形机、薄膜拉伸、凿岩机械、焊接机器人等各大领域。

SKF 219轴承详细参数

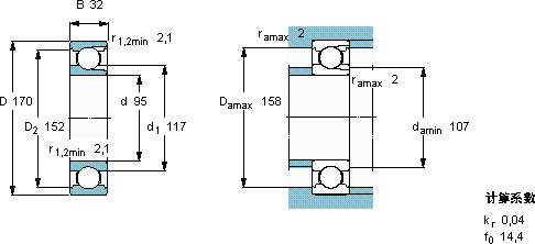
深沟球轴承, 单列,带装球缺口, 无密封件
主要数据尺寸基本负荷额定值疲劳负荷限值额定速度体积型号
动态静态参照速度限制速度
dDBCC0Pu
mmkNkNr/minkg-
95170321211224,5670043002,70219

SKF 219轴承尺寸图纸

李工:138-8949-5179

刘工:135-0428-8802

地址:辽宁省大连经济技术开发区现代城3栋-13-13号

在线客服系统