李工:138-8949-5179 刘工:135-0428-8802
型号查询
轴承型号   常见搜索: 1轴承 6010轴承 6013轴承 6018轴承 6900轴承 6205轴承
型号查询 X

轴承专区

Bearings Center

6413轴承-SKF 6413轴承尺寸、图纸、价格

SKF 6413轴承

产品名称:6413轴承 品牌:SKF
类型:SKF轴承 > 滚动轴承 > 深沟球轴承
描述:6413轴承是【SKF轴承 > 滚动轴承 > 深沟球轴承】的型号,主要用在燃汽轮机、差速器小齿轮轴、减速装置、小齿轮轴、印刷机械、机床主轴、电机厂、塑料、混凝土机械、数控设备等各大领域

 电话/微信:138-8949-5179

SKF 6413轴承详细信息

6413轴承是【SKF轴承 > 滚动轴承 > 深沟球轴承】的型号,主要用在燃汽轮机、差速器小齿轮轴、减速装置、小齿轮轴、印刷机械、机床主轴、电机厂、塑料、混凝土机械、数控设备等各大领域。

SKF 6413轴承详细参数

深沟球轴承, 单列, 无密封件
主要数据尺寸基本负荷额定值疲劳负荷限值额定速度体积型号
动态静态参照速度限制速度
dDBCC0Pu
mmkNkNr/minkg-
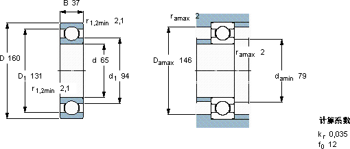
6516037119783,15950060003,306413

SKF 6413轴承尺寸图纸

李工:138-8949-5179

刘工:135-0428-8802

地址:辽宁省大连经济技术开发区现代城3栋-13-13号

在线客服系统