李工:138-8949-5179 刘工:135-0428-8802
型号查询
轴承型号   常见搜索: 617轴承 6019轴承 6304轴承 6005轴承 6009轴承 6012轴承
型号查询 X

轴承专区

Bearings Center

6224轴承-SKF 6224轴承尺寸、图纸、价格

SKF 6224轴承

产品名称:6224轴承 品牌:SKF
类型:SKF轴承 > 滚动轴承 > 深沟球轴承
描述:6224轴承是【SKF轴承 > 滚动轴承 > 深沟球轴承】的型号,主要用在铁路车辆、油泵、中型及大型电动机、机床主轴、铁路车辆车轴、起重机吊钩、冶炼厂、化纤机械、强夯机、机械手等各大领域

 电话/微信:138-8949-5179

SKF 6224轴承详细信息

6224轴承是【SKF轴承 > 滚动轴承 > 深沟球轴承】的型号,主要用在铁路车辆、油泵、中型及大型电动机、机床主轴、铁路车辆车轴、起重机吊钩、冶炼厂、化纤机械、强夯机、机械手等各大领域。

SKF 6224轴承详细参数

深沟球轴承, 单列, 无密封件
主要数据尺寸基本负荷额定值疲劳负荷限值额定速度体积型号
动态静态参照速度限制速度
dDBCC0Pu
mmkNkNr/minkg-
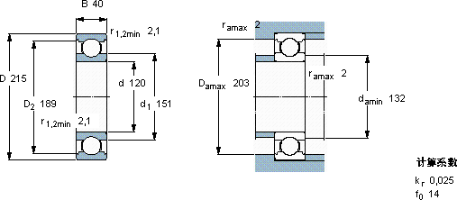
120215401461183,9630040005,156224

SKF 6224轴承尺寸图纸

李工:138-8949-5179

刘工:135-0428-8802

地址:辽宁省大连经济技术开发区现代城3栋-13-13号

在线客服系统