李工:138-8949-5179 刘工:135-0428-8802
型号查询
轴承型号   常见搜索: 1轴承 6017轴承 22222轴承 6016轴承 6205轴承 7014轴承
型号查询 X

轴承专区

Bearings Center

638-RZ轴承-SKF 638-RZ轴承尺寸、图纸、价格

SKF 638-RZ轴承

产品名称:638-RZ轴承 品牌:SKF
类型:SKF轴承 > 滚动轴承 > 深沟球轴承
描述:638-RZ轴承是【SKF轴承 > 滚动轴承 > 深沟球轴承】的型号,主要用在飞机喷气式发动机、小型汽车前轮、变速器、差速器、铁路车辆车轴、汽车转向销、燃机、电子、土方机械、厨具设备等各大领域

 电话/微信:138-8949-5179

SKF 638-RZ轴承详细信息

638-RZ轴承是【SKF轴承 > 滚动轴承 > 深沟球轴承】的型号,主要用在飞机喷气式发动机、小型汽车前轮、变速器、差速器、铁路车辆车轴、汽车转向销、燃机、电子、土方机械、厨具设备等各大领域。

SKF 638-RZ轴承详细参数

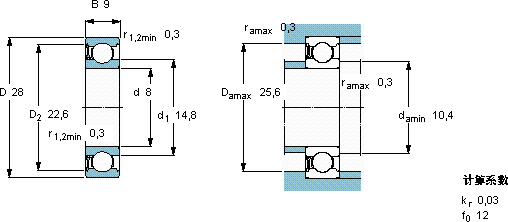
深沟球轴承, 单列, 低摩擦单面密封件
主要数据尺寸基本负荷额定值疲劳负荷限值额定速度体积型号
动态静态参照速度限制速度
dDBCC0Pu
mmkNkNr/minkg-
82894,621,960,08360000380000,030638-RZ

SKF 638-RZ轴承尺寸图纸

李工:138-8949-5179

刘工:135-0428-8802

地址:辽宁省大连经济技术开发区现代城3栋-13-13号

在线客服系统