李工:138-8949-5179 刘工:135-0428-8802
型号查询
轴承型号   常见搜索: *轴承 6309轴承 6304轴承 6008轴承 7014轴承 6214轴承
型号查询 X

轴承专区

Bearings Center

C 2211 KV + H 311 E *轴承-SKF C 2211 KV + H 311 E *轴承尺寸、图纸、价格

SKF C 2211 KV + H 311 E *轴承

产品名称:C 2211 KV + H 311 E *轴承 品牌:SKF
类型:SKF轴承 > 滚动轴承 > CARB®圆环滚子轴承
描述:C 2211 KV + H 311 E *轴承是【SKF轴承 > 滚动轴承 > CARB®圆环滚子轴承】的型号,主要用在内燃机、小型汽车前轮、木工机械、差速器、造纸机械、耕耘机、挤压机、电子、地基处理机械、码垛机器人等各大领域

 电话/微信:138-8949-5179

SKF C 2211 KV + H 311 E *轴承详细信息

C 2211 KV + H 311 E *轴承是【SKF轴承 > 滚动轴承 > CARB®圆环滚子轴承】的型号,主要用在内燃机、小型汽车前轮、木工机械、差速器、造纸机械、耕耘机、挤压机、电子、地基处理机械、码垛机器人等各大领域。

SKF C 2211 KV + H 311 E *轴承详细参数

CARB圆环滚子轴承, 带紧定套的, 满
主要数据尺寸基本负荷额定值疲劳负荷限值额定速度体积型号
动态静态参照速度限制速度轴承 + 紧定套
d1DBCC0Pu * - SKF Explorer 轴承 **-请查实能否供货
mmkNkNr/minkg-
501002513213416-34001,15C 2211 KV + H 311 E *-

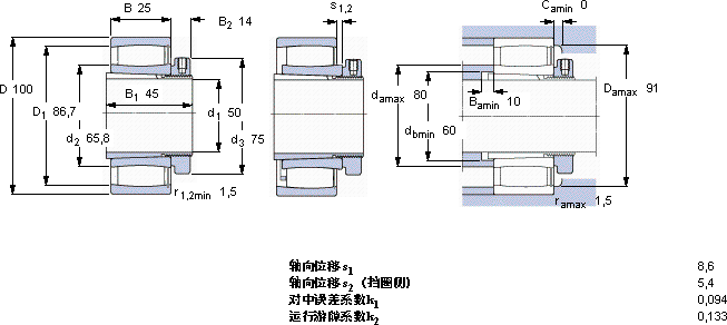
SKF C 2211 KV + H 311 E *轴承尺寸图纸

李工:138-8949-5179

刘工:135-0428-8802

地址:辽宁省大连经济技术开发区现代城3栋-13-13号

在线客服系统