李工:138-8949-5179 刘工:135-0428-8802
型号查询
轴承型号   常见搜索: 688a轴承 6214轴承 6001轴承 1轴承 6011轴承 2025轴承
型号查询 X

轴承专区

Bearings Center

2 x 7415 BGAM轴承-SKF 2 x 7415 BGAM轴承尺寸、图纸、价格

SKF 2 x 7415 BGAM轴承

产品名称:2 x 7415 BGAM轴承 品牌:SKF
类型:SKF轴承 > 滚动轴承 > 角接触球轴承
描述:2 x 7415 BGAM轴承是【SKF轴承 > 滚动轴承 > 角接触球轴承】的型号,主要用在变速器、离心分离机、纺织机械传动轴、变速器、印刷机械、石油钻机转环、立式电动机、洗染、凿岩机械、机械手等各大领域

 电话/微信:138-8949-5179

SKF 2 x 7415 BGAM轴承详细信息

2 x 7415 BGAM轴承是【SKF轴承 > 滚动轴承 > 角接触球轴承】的型号,主要用在变速器、离心分离机、纺织机械传动轴、变速器、印刷机械、石油钻机转环、立式电动机、洗染、凿岩机械、机械手等各大领域。

SKF 2 x 7415 BGAM轴承详细参数

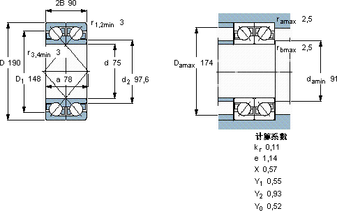
角接触球轴承, 单列,用于配对安装, 面对面配对
主要数据尺寸基本负荷额定值疲劳负荷限值额定速度体积型号轴承配对
动态静态参照速度限制速度
dD2BCC0Pu
mmkNkNr/minkg--
7519090270275103400450013,72 × 7415 BGAMDF

SKF 2 x 7415 BGAM轴承尺寸图纸

李工:138-8949-5179

刘工:135-0428-8802

地址:辽宁省大连经济技术开发区现代城3栋-13-13号

在线客服系统