李工:138-8949-5179 刘工:135-0428-8802
型号查询
轴承型号   常见搜索: 6900轴承 6003轴承 6309轴承 2026轴承 6205轴承 6028轴承
型号查询 X

轴承专区

Bearings Center

51102 V/HR22Q2轴承-SKF 51102 V/HR22Q2轴承尺寸、图纸、价格

SKF 51102 V/HR22Q2轴承

产品名称:51102 V/HR22Q2轴承 品牌:SKF
类型:SKF轴承 > 滚动轴承 > 工程产品
描述:51102 V/HR22Q2轴承是【SKF轴承 > 滚动轴承 > 工程产品】的型号,主要用在后轮、小型汽车前轮、变速器、差速器、轧钢机辊道子、汽车转向销、水力发电机、制鞋、土方机械、泥炮等各大领域

 电话/微信:138-8949-5179

SKF 51102 V/HR22Q2轴承详细信息

51102 V/HR22Q2轴承是【SKF轴承 > 滚动轴承 > 工程产品】的型号,主要用在后轮、小型汽车前轮、变速器、差速器、轧钢机辊道子、汽车转向销、水力发电机、制鞋、土方机械、泥炮等各大领域。

SKF 51102 V/HR22Q2轴承详细参数

聚合物球轴承,推力球轴承, PP/PP/glass/PP
主要数据尺寸负荷能力额定速度体积型号
dDB动态1)静态2)最大3)最大-
1) above 50 °C and/or above 20 %3) Consider load carrying
of max speed rating considercapability reduction according
2) above 50 °C consider
mmkNr/minkg-
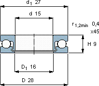
152890,550,444600,004751102 V/HR22Q2

SKF 51102 V/HR22Q2轴承尺寸图纸

李工:138-8949-5179

刘工:135-0428-8802

地址:辽宁省大连经济技术开发区现代城3栋-13-13号

在线客服系统