李工:138-8949-5179 刘工:135-0428-8802
型号查询
轴承型号   常见搜索: 6214轴承 6002轴承 6028轴承 6003轴承 6012轴承 23136轴承
型号查询 X

轴承专区

Bearings Center

60988 MB轴承-SKF 60988 MB轴承尺寸、图纸、价格

SKF 60988 MB轴承

产品名称:60988 MB轴承 品牌:SKF
类型:SKF轴承 > 滚动轴承 > 深沟球轴承
描述:60988 MB轴承是【SKF轴承 > 滚动轴承 > 深沟球轴承】的型号,主要用在装卸搬运机械、离心分离机、木工机械、变速器、轧钢机齿轮箱座、制铁制钢机械、矿山、音像设备、堆取料机、摩天轮等各大领域

 电话/微信:138-8949-5179

SKF 60988 MB轴承详细信息

60988 MB轴承是【SKF轴承 > 滚动轴承 > 深沟球轴承】的型号,主要用在装卸搬运机械、离心分离机、木工机械、变速器、轧钢机齿轮箱座、制铁制钢机械、矿山、音像设备、堆取料机、摩天轮等各大领域。

SKF 60988 MB轴承详细参数

深沟球轴承, 单列, 无密封件
主要数据尺寸基本负荷额定值疲劳负荷限值额定速度体积型号
动态静态参照速度限制速度
dDBCC0Pu
mmkNkNr/minkg-
4406005031255010,22000160040,060988 MB

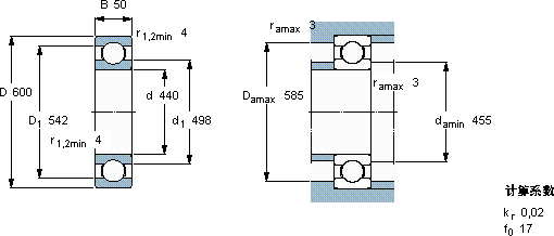
SKF 60988 MB轴承尺寸图纸

李工:138-8949-5179

刘工:135-0428-8802

地址:辽宁省大连经济技术开发区现代城3栋-13-13号

在线客服系统