李工:138-8949-5179 刘工:135-0428-8802
型号查询
轴承型号   常见搜索: 71913轴承 6020轴承 688a轴承 617轴承 6022轴承 6009轴承
型号查询 X

轴承专区

Bearings Center

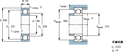
6338 M轴承-SKF 6338 M轴承尺寸、图纸、价格

SKF 6338 M轴承

产品名称:6338 M轴承 品牌:SKF
类型:SKF轴承 > 滚动轴承 > 深沟球轴承
描述:6338 M轴承是【SKF轴承 > 滚动轴承 > 深沟球轴承】的型号,主要用在内燃机、燃汽轮机、减速装置、后轮、造纸机械、石油钻机、挤压机、化纤机械、给料机械、数控设备等各大领域

 电话/微信:138-8949-5179

SKF 6338 M轴承详细信息

6338 M轴承是【SKF轴承 > 滚动轴承 > 深沟球轴承】的型号,主要用在内燃机、燃汽轮机、减速装置、后轮、造纸机械、石油钻机、挤压机、化纤机械、给料机械、数控设备等各大领域。

SKF 6338 M轴承详细参数

深沟球轴承, 单列, 无密封件
主要数据尺寸基本负荷额定值疲劳负荷限值额定速度体积型号
动态静态参照速度限制速度
dDBCC0Pu
mmkNkNr/minkg-
1904007837143010,83400300049,06338 M

SKF 6338 M轴承尺寸图纸

李工:138-8949-5179

刘工:135-0428-8802

地址:辽宁省大连经济技术开发区现代城3栋-13-13号

在线客服系统