轴承专区
Bearings Center
2208 EKTN9轴承-SKF 2208 EKTN9轴承尺寸、图纸、价格
SKF 2208 EKTN9轴承
| 产品名称: | 2208 EKTN9轴承 | 品牌: | SKF |
|---|---|---|---|
| 类型: | SKF轴承 > 滚动轴承 > 自调心球轴承 | ||
| 描述: | 2208 EKTN9轴承是【SKF轴承 > 滚动轴承 > 自调心球轴承】的型号,主要用在电气装置部件、小型汽车前轮、挖土机履带轮、差速器、振动筛、汽车转向销、船舶用螺旋桨轴、破碎、掘进机、伽玛等各大领域 | ||
电话/微信:138-8949-5179
SKF 2208 EKTN9轴承详细信息
2208 EKTN9轴承是【SKF轴承 > 滚动轴承 > 自调心球轴承】的型号,主要用在电气装置部件、小型汽车前轮、挖土机履带轮、差速器、振动筛、汽车转向销、船舶用螺旋桨轴、破碎、掘进机、伽玛等各大领域。
SKF 2208 EKTN9轴承详细参数
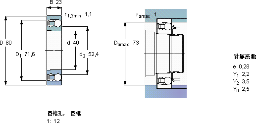
| 自调心球轴承, 圆柱孔和圆锥孔, 圆锥型内孔, 无密封件 | ||||||||||
| 主要数据尺寸 | 基本负荷额定值 | 疲劳负荷限值 | 额定速度 | 体积 | 型号 | |||||
| 动态 | 静态 | 参照速度 | 限制速度 | |||||||
| d | D | B | C | C0 | Pu | |||||
| mm | kN | kN | r/min | kg | - | |||||
| 40 | 80 | 23 | 31,9 | 10 | 0,51 | 16000 | 11000 | 0,51 | 2208 EKTN9 | |
SKF 2208 EKTN9轴承尺寸图纸

