轴承专区
Bearings Center
618/4轴承-SKF 618/4轴承尺寸、图纸、价格
SKF 618/4轴承
| 产品名称: | 618/4轴承 | 品牌: | SKF |
|---|---|---|---|
| 类型: | SKF轴承 > 滚动轴承 > 深沟球轴承 | ||
| 描述: | 618/4轴承是【SKF轴承 > 滚动轴承 > 深沟球轴承】的型号,主要用在内燃机、燃料喷射泵、泵、齿轮减速装置、铁路车辆车轴、起重机吊钩、挤压机、塑料、强夯机、码垛机器人等各大领域 | ||
电话/微信:138-8949-5179
SKF 618/4轴承详细信息
618/4轴承是【SKF轴承 > 滚动轴承 > 深沟球轴承】的型号,主要用在内燃机、燃料喷射泵、泵、齿轮减速装置、铁路车辆车轴、起重机吊钩、挤压机、塑料、强夯机、码垛机器人等各大领域。
SKF 618/4轴承详细参数
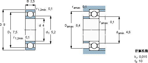
| 深沟球轴承, 单列, 无密封件 | |||||||||||
| 主要数据尺寸 | 基本负荷额定值 | 疲劳负荷限值 | 额定速度 | 体积 | 型号 | ||||||
| 动态 | 静态 | 参照速度 | 限制速度 | ||||||||
| d | D | B | C | C0 | Pu | ||||||
| mm | kN | kN | r/min | kg | - | ||||||
| 4 | 9 | 2,5 | 0,54 | 0,18 | 0,007 | 140000 | 85000 | 0,0007 | 618/4 | ||
SKF 618/4轴承尺寸图纸

