李工:138-8949-5179 刘工:135-0428-8802
型号查询
轴承型号   常见搜索: 6205轴承 6026轴承 7014轴承 6004轴承 6011轴承 6304轴承
型号查询 X

轴承专区

Bearings Center

2 x 7316 BECCM *轴承-SKF 2 x 7316 BECCM *轴承尺寸、图纸、价格

SKF 2 x 7316 BECCM *轴承

产品名称:2 x 7316 BECCM *轴承 品牌:SKF
类型:SKF轴承 > 滚动轴承 > 角接触球轴承
描述:2 x 7316 BECCM *轴承是【SKF轴承 > 滚动轴承 > 角接触球轴承】的型号,主要用在装卸搬运机械、离心分离机、桥式起重机、变速器、轧钢机齿轮箱座、制铁制钢机械、矿山、烟草机械、起重机械、摩天轮等各大领域

 电话/微信:138-8949-5179

SKF 2 x 7316 BECCM *轴承详细信息

2 x 7316 BECCM *轴承是【SKF轴承 > 滚动轴承 > 角接触球轴承】的型号,主要用在装卸搬运机械、离心分离机、桥式起重机、变速器、轧钢机齿轮箱座、制铁制钢机械、矿山、烟草机械、起重机械、摩天轮等各大领域。

SKF 2 x 7316 BECCM *轴承详细参数

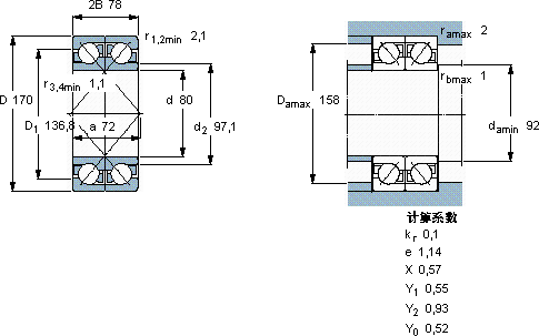
角接触球轴承, 单列,用于配对安装, 面对面配对
主要数据尺寸基本负荷额定值疲劳负荷限值额定速度体积型号轴承配对
动态静态参照速度限制速度
dD2BCC0Pu * - SKF Explorer 轴承
mmkNkNr/minkg--
80170782362369400050008,052 × 7316 BECCM *DF

SKF 2 x 7316 BECCM *轴承尺寸图纸

李工:138-8949-5179

刘工:135-0428-8802

地址:辽宁省大连经济技术开发区现代城3栋-13-13号

在线客服系统