李工:138-8949-5179 刘工:135-0428-8802
型号查询
轴承型号   常见搜索: 6309轴承 23136轴承 6026轴承 6017轴承 6018轴承 6006轴承
型号查询 X

轴承专区

Bearings Center

6315-2Z *轴承-SKF 6315-2Z *轴承尺寸、图纸、价格

SKF 6315-2Z *轴承

产品名称:6315-2Z *轴承 品牌:SKF
类型:SKF轴承 > 滚动轴承 > 深沟球轴承
描述:6315-2Z *轴承是【SKF轴承 > 滚动轴承 > 深沟球轴承】的型号,主要用在内燃机、油泵、中型及大型电动机、机床主轴、振动筛、石油钻机、挤压机、陶瓷机械、给料机械、抓钢机等各大领域

 电话/微信:138-8949-5179

SKF 6315-2Z *轴承详细信息

6315-2Z *轴承是【SKF轴承 > 滚动轴承 > 深沟球轴承】的型号,主要用在内燃机、油泵、中型及大型电动机、机床主轴、振动筛、石油钻机、挤压机、陶瓷机械、给料机械、抓钢机等各大领域。

SKF 6315-2Z *轴承详细参数

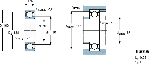
深沟球轴承, 单列, 两面防尘罩
主要数据尺寸基本负荷额定值疲劳负荷限值额定速度体积型号
动态静态参照速度限制速度
dDBCC0Pu * - SKF Explorer 轴承
mmkNkNr/minkg-
751603711976,53900045003,006315-2Z *

SKF 6315-2Z *轴承尺寸图纸

李工:138-8949-5179

刘工:135-0428-8802

地址:辽宁省大连经济技术开发区现代城3栋-13-13号

在线客服系统