轴承专区
Bearings Center
HMV 96E轴承-SKF HMV 96E轴承尺寸、图纸、价格
SKF HMV 96E轴承
| 产品名称: | HMV 96E轴承 | 品牌: | SKF |
|---|---|---|---|
| 类型: | SKF轴承 > 滚动轴承 > 轴承附件 | ||
| 描述: | HMV 96E轴承是【SKF轴承 > 滚动轴承 > 轴承附件】的型号,主要用在仪表、各类变速器、中型及大型电动机、铁路车辆、各类产业用减速机、机床等的变速装置、碾煤机、啤酒、压路机、坦克等各大领域 | ||
电话/微信:138-8949-5179
SKF HMV 96E轴承详细信息
HMV 96E轴承是【SKF轴承 > 滚动轴承 > 轴承附件】的型号,主要用在仪表、各类变速器、中型及大型电动机、铁路车辆、各类产业用减速机、机床等的变速装置、碾煤机、啤酒、压路机、坦克等各大领域。
SKF HMV 96E轴承详细参数
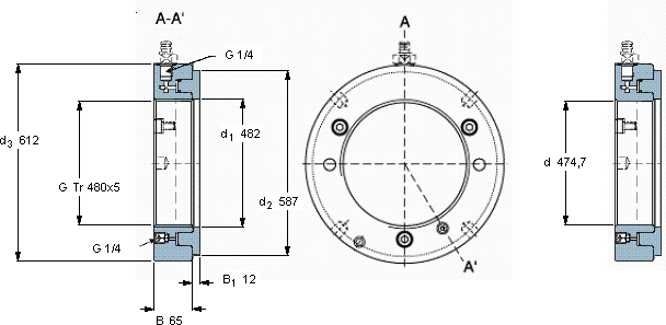
| Hydraulic nuts, metric sizes | ||||||||||||
| 螺纹尺寸 | 尺寸 | Permitted | Piston area | 体积 | 型号 | |||||||
| piston | ||||||||||||
| G | d1 | d2 | d3 | B | B1 | displacement | ||||||
| mm | mm (metric sizes) | mm | mm | mm2 (metric sizes) | kg | - | ||||||
| in - threads/in (inch sizes) | in2 (inch sizes) | |||||||||||
| 480 | Tr 480x5 | 482 | 587 | 612 | 65 | 12 | 19 | 48600 | 63,0 | HMV 96E | HMV 96E/A101 | |
SKF HMV 96E轴承尺寸图纸

