李工:138-8949-5179 刘工:135-0428-8802
型号查询
轴承型号   常见搜索: 6032轴承 6309轴承 6028轴承 6016轴承 6205轴承 6002轴承
型号查询 X

轴承专区

Bearings Center

SIKB 8 F轴承-SKF SIKB 8 F轴承尺寸、图纸、价格

SKF SIKB 8 F轴承

产品名称:SIKB 8 F轴承 品牌:SKF
类型:SKF轴承 > 球面滑动轴承和杆端关节轴承 > 免维护的杆端关节轴承
描述:SIKB 8 F轴承是【SKF轴承 > 球面滑动轴承和杆端关节轴承 > 免维护的杆端关节轴承】的型号,主要用在仪表、高频马达、变速器、前轮、印刷机械、机床等的变速装置、碾煤机、电子、压路机、厨具设备等各大领域

 电话/微信:138-8949-5179

SKF SIKB 8 F轴承详细信息

SIKB 8 F轴承是【SKF轴承 > 球面滑动轴承和杆端关节轴承 > 免维护的杆端关节轴承】的型号,主要用在仪表、高频马达、变速器、前轮、印刷机械、机床等的变速装置、碾煤机、电子、压路机、厨具设备等各大领域。

SKF SIKB 8 F轴承详细参数

免维护杆端, 阴螺纹, 钢/PTFE复合材料
主要数据尺寸角度倾的基本负荷额定值质量型号
动态静态轴承座完全与密封件
dd2Bd3C1h1±CC0
6H
mm度数kNkg-
82512M 8936147,111,40,047SIKB 8 F

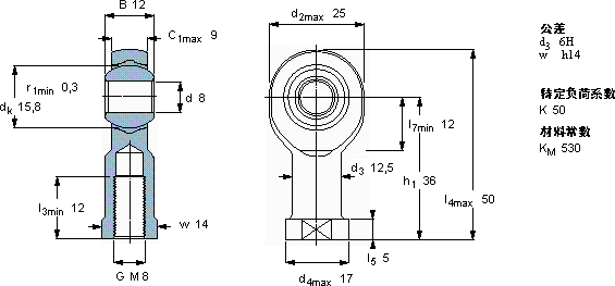
SKF SIKB 8 F轴承尺寸图纸

李工:138-8949-5179

刘工:135-0428-8802

地址:辽宁省大连经济技术开发区现代城3栋-13-13号

在线客服系统