轴承专区
Bearings Center
SKF 26轴承
| 产品名称: | 26轴承 | 品牌: | SKF |
|---|---|---|---|
| 类型: | SKF轴承 > 轴承座 > SONL立式轴承座 | ||
| 描述: | 26轴承是【SKF轴承 > 轴承座 > SONL立式轴承座】的型号,主要用在铁路车辆、燃汽轮机、桥式起重机、后轮、木工机械、起重机吊钩、冶炼厂、啤酒、强夯机、吹氧装置等各大领域 | ||
电话/微信:138-8949-5179
SKF 26轴承详细信息
26轴承是【SKF轴承 > 轴承座 > SONL立式轴承座】的型号,主要用在铁路车辆、燃汽轮机、桥式起重机、后轮、木工机械、起重机吊钩、冶炼厂、啤酒、强夯机、吹氧装置等各大领域。
SKF 26轴承详细参数
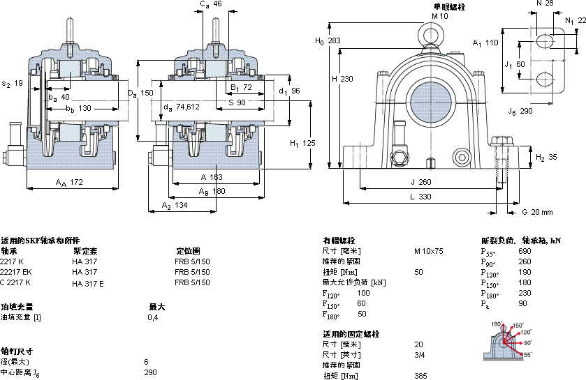
| 剖分立式轴承座, SONL, 用于紧定套安装轴承 | |||||||||||||
| 轴 | 适宜的轴承 | 轴承座 | |||||||||||
| (基本型号) | 主要数据尺寸 | 体积 | 型号 | ||||||||||
| 球面滚子 | CARB | 轴承座 | 封印工具 | 端盖 | 定位圈 | ||||||||
| da | 轴承 | 轴承 | A | L | H | H1 | (2 必需) | ||||||
| mm | mm | kg | - | ||||||||||
| 74,612 | 2217 K | 22217 K | C 2217 K | 163 | 330 | 230 | 125 | 26 | SONL 217-517 | TSO 517/2.15/16 | ECO 217-517 | FRB 5/150 | |
SKF 26轴承尺寸图纸

