李工:138-8949-5179 刘工:135-0428-8802
型号查询
轴承型号   常见搜索: 6305轴承 6007轴承 3214轴承 6214轴承 688a轴承 23136轴承
型号查询 X

轴承专区

Bearings Center

623-2Z轴承-SKF 623-2Z轴承尺寸、图纸、价格

SKF 623-2Z轴承

产品名称:623-2Z轴承 品牌:SKF
类型:SKF轴承 > 滚动轴承 > 深沟球轴承
描述:623-2Z轴承是【SKF轴承 > 滚动轴承 > 深沟球轴承】的型号,主要用在通用电动机、罗茨鼓风机、减速装置、建筑机械、各类产业用减速机、制铁制钢机械、轧钢机轧制螺杆用减速机、破碎、堆取料机、机场加油机等各大领域

 电话/微信:138-8949-5179

SKF 623-2Z轴承详细信息

623-2Z轴承是【SKF轴承 > 滚动轴承 > 深沟球轴承】的型号,主要用在通用电动机、罗茨鼓风机、减速装置、建筑机械、各类产业用减速机、制铁制钢机械、轧钢机轧制螺杆用减速机、破碎、堆取料机、机场加油机等各大领域。

SKF 623-2Z轴承详细参数

深沟球轴承, 单列, 两面防尘罩
主要数据尺寸基本负荷额定值疲劳负荷限值额定速度体积型号
动态静态参照速度限制速度
dDBCC0Pu
mmkNkNr/minkg-
31040,540,180,007130000630000,0015623-2Z

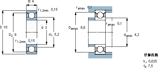
SKF 623-2Z轴承尺寸图纸

李工:138-8949-5179

刘工:135-0428-8802

地址:辽宁省大连经济技术开发区现代城3栋-13-13号

在线客服系统