轴承专区
Bearings Center
626 *轴承-SKF 626 *轴承尺寸、图纸、价格
SKF 626 *轴承
| 产品名称: | 626 *轴承 | 品牌: | SKF |
|---|---|---|---|
| 类型: | SKF轴承 > 滚动轴承 > 深沟球轴承 | ||
| 描述: | 626 *轴承是【SKF轴承 > 滚动轴承 > 深沟球轴承】的型号,主要用在变速器、印刷机械、汽车发动机、轧钢机辊颈、各类产业用减速机、制铁制钢机械、立式电动机、玩具、起重机械、吹氧装置等各大领域 | ||
电话/微信:138-8949-5179
SKF 626 *轴承详细信息
626 *轴承是【SKF轴承 > 滚动轴承 > 深沟球轴承】的型号,主要用在变速器、印刷机械、汽车发动机、轧钢机辊颈、各类产业用减速机、制铁制钢机械、立式电动机、玩具、起重机械、吹氧装置等各大领域。
SKF 626 *轴承详细参数
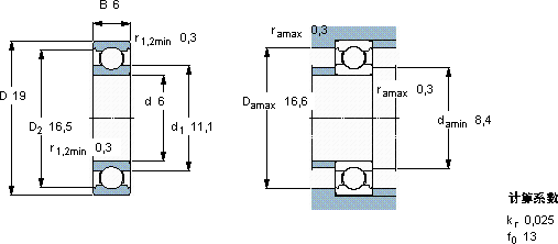
| 深沟球轴承, 单列, 无密封件 | |||||||||||
| 主要数据尺寸 | 基本负荷额定值 | 疲劳负荷限值 | 额定速度 | 体积 | 型号 | ||||||
| 动态 | 静态 | 参照速度 | 限制速度 | ||||||||
| d | D | B | C | C0 | Pu | * - SKF Explorer 轴承 | |||||
| mm | kN | kN | r/min | kg | - | ||||||
| 6 | 19 | 6 | 2,34 | 0,95 | 0,04 | 80000 | 50000 | 0,0084 | 626 * | ||
SKF 626 *轴承尺寸图纸

