李工:138-8949-5179 刘工:135-0428-8802
型号查询
轴承型号   常见搜索: 6900轴承 6304轴承 6014轴承 6003轴承 *轴承 688a轴承
型号查询 X

轴承专区

Bearings Center

62209-2RS1轴承-SKF 62209-2RS1轴承尺寸、图纸、价格

SKF 62209-2RS1轴承

产品名称:62209-2RS1轴承 品牌:SKF
类型:SKF轴承 > 滚动轴承 > 深沟球轴承
描述:62209-2RS1轴承是【SKF轴承 > 滚动轴承 > 深沟球轴承】的型号,主要用在内燃机、油泵、发电机、机床主轴、木工机械、石油钻机、挤压机、塑料、解体机、抓钢机等各大领域

 电话/微信:138-8949-5179

SKF 62209-2RS1轴承详细信息

62209-2RS1轴承是【SKF轴承 > 滚动轴承 > 深沟球轴承】的型号,主要用在内燃机、油泵、发电机、机床主轴、木工机械、石油钻机、挤压机、塑料、解体机、抓钢机等各大领域。

SKF 62209-2RS1轴承详细参数

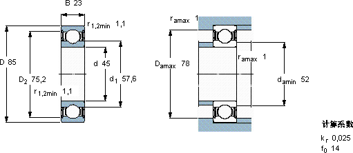
深沟球轴承, 单列, 两面密封件
主要数据尺寸基本负荷额定值疲劳负荷限值额定速度体积型号
动态静态参照速度限制速度
dDBCC0Pu
mmkNkNr/minkg-
45852333,221,60,915-50000,4862209-2RS1

SKF 62209-2RS1轴承尺寸图纸

李工:138-8949-5179

刘工:135-0428-8802

地址:辽宁省大连经济技术开发区现代城3栋-13-13号

在线客服系统