轴承专区
Bearings Center
FYR 1.11/16 H-18轴承-SKF FYR 1.11/16 H-18轴承尺寸、图纸、价格
SKF FYR 1.11/16 H-18轴承
| 产品名称: | FYR 1.11/16 H-18轴承 | 品牌: | SKF |
|---|---|---|---|
| 类型: | SKF轴承 > 轴承单元 > 法兰滚子轴承单元 | ||
| 描述: | FYR 1.11/16 H-18轴承是【SKF轴承 > 轴承单元 > 法兰滚子轴承单元】的型号,主要用在仪表、离心分离机、挖土机履带轮、变速器、各类产业用减速机、制铁制钢机械、碾煤机、医药设备、堆取料机、坦克等各大领域 | ||
电话/微信:138-8949-5179
SKF FYR 1.11/16 H-18轴承详细信息
FYR 1.11/16 H-18轴承是【SKF轴承 > 轴承单元 > 法兰滚子轴承单元】的型号,主要用在仪表、离心分离机、挖土机履带轮、变速器、各类产业用减速机、制铁制钢机械、碾煤机、医药设备、堆取料机、坦克等各大领域。
SKF FYR 1.11/16 H-18轴承详细参数
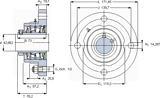
| 带法兰的滚子轴承单元, 锁定套,用于英制的轴, locating units, labyrinth seals | |||||||||||
| 尺寸 | 尺寸 [英寸] | 限制速度 | 质量 | 型号 | 轴承,基本型号 | ||||||
| 动态 | 静态 | ||||||||||
| da | A1 | J | L | T | C | C0 | |||||
| mm | kN | r/min | kg | - | - | ||||||
| 42,862 | 57,2 | 139,7 | 171,45 | 76,2 | 77 | 88,1 | 5300 | 4,76 | FYR 1.11/16 H-18 | 22209 | |
SKF FYR 1.11/16 H-18轴承尺寸图纸

