轴承专区
Bearings Center
BS2B 247181轴承-SKF BS2B 247181轴承尺寸、图纸、价格
SKF BS2B 247181轴承
| 产品名称: | BS2B 247181轴承 | 品牌: | SKF |
|---|---|---|---|
| 类型: | SKF轴承 > 滚动轴承 > 球面滚子轴承 | ||
| 描述: | BS2B 247181轴承是【SKF轴承 > 滚动轴承 > 球面滚子轴承】的型号,主要用在各种产业机械、各类变速器、泵、铁路车辆、减速装置、机床主轴、发电厂、精细化工机械、混凝土机械、塔式车库等各大领域 | ||
电话/微信:138-8949-5179
SKF BS2B 247181轴承详细信息
BS2B 247181轴承是【SKF轴承 > 滚动轴承 > 球面滚子轴承】的型号,主要用在各种产业机械、各类变速器、泵、铁路车辆、减速装置、机床主轴、发电厂、精细化工机械、混凝土机械、塔式车库等各大领域。
SKF BS2B 247181轴承详细参数
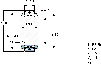
| 球面滚子轴承, 剖分式 | |||||||||
| 主要数据尺寸 | 基本负荷额定值 | 疲劳负荷限值 | 体积 | 型号 | |||||
| 动态 | 静态 | ||||||||
| d | D | B | C | C | C0 | Pu | |||
| mm | kN | kN | kg | - | |||||
| 710 | 1030 | 360 | 236 | 7020 | 15600 | 930 | 880 | BS2B 247181 | |
SKF BS2B 247181轴承尺寸图纸

