李工:138-8949-5179 刘工:135-0428-8802
型号查询
轴承型号   常见搜索: 6909轴承 *轴承 6004轴承 6304轴承 6019轴承 6032轴承
型号查询 X

轴承专区

Bearings Center

6217NR轴承-NTN 6217NR轴承尺寸、图纸、价格

NTN 6217NR轴承

产品名称:6217NR轴承 品牌:NTN
类型:NTN轴承 > 深沟球轴承 > 深沟球轴承
描述:6217NR轴承是【NTN轴承 > 深沟球轴承 > 深沟球轴承】的型号,主要用在仪表、差速器小齿轮轴、提升机、小齿轮轴、轧钢机齿轮箱座、机床主轴、碾煤机、制鞋、混凝土机械、钢包回转台等各大领域

 电话/微信:138-8949-5179

NTN 6217NR轴承详细信息

6217NR轴承是【NTN轴承 > 深沟球轴承 > 深沟球轴承】的型号,主要用在仪表、差速器小齿轮轴、提升机、小齿轮轴、轧钢机齿轮箱座、机床主轴、碾煤机、制鞋、混凝土机械、钢包回转台等各大领域。

NTN 6217NR轴承详细参数

轴承
型号6217NR
属性
产品6217
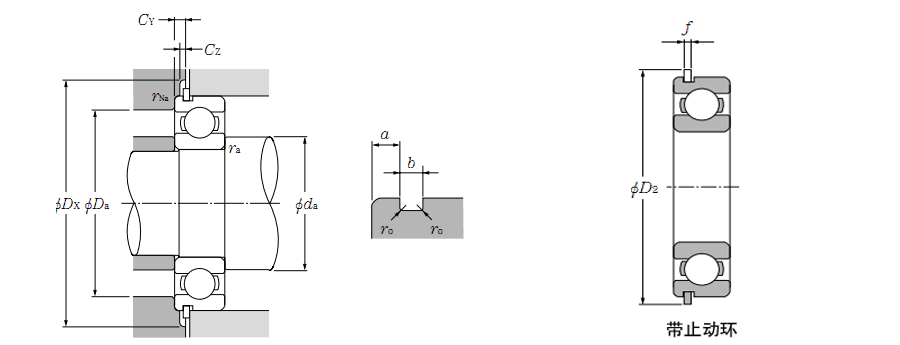
备注带止动环
主要尺寸(mm)
d85
D150
B28
rs(min)2
rNS(min)0.50
负荷(kn)
Cr83.50
C0r64.00
负荷(kgf)
Cr8500
C0r6500
因素
f014.70
限速(rpm)
grease4200
oil5000
重量
kg1.7900

NTN 6217NR轴承尺寸图纸

李工:138-8949-5179

刘工:135-0428-8802

地址:辽宁省大连经济技术开发区现代城3栋-13-13号

在线客服系统