李工:138-8949-5179 刘工:135-0428-8802
型号查询
轴承型号   常见搜索: 2025轴承 71913轴承 6013轴承 6011轴承 6309轴承 6021轴承
型号查询 X

轴承专区

Bearings Center

6214/HC5C3轴承-SKF 6214/HC5C3轴承尺寸、图纸、价格

SKF 6214/HC5C3轴承

产品名称:6214/HC5C3轴承 品牌:SKF
类型:SKF轴承 > 滚动轴承 > 工程产品
描述:6214/HC5C3轴承是【SKF轴承 > 滚动轴承 > 工程产品】的型号,主要用在飞机喷气式发动机、燃汽轮机、中型及大型电动机、后轮、轧钢机辊道子、石油钻机、燃机、破碎、解体机、钢包回转台等各大领域

 电话/微信:138-8949-5179

SKF 6214/HC5C3轴承详细信息

6214/HC5C3轴承是【SKF轴承 > 滚动轴承 > 工程产品】的型号,主要用在飞机喷气式发动机、燃汽轮机、中型及大型电动机、后轮、轧钢机辊道子、石油钻机、燃机、破碎、解体机、钢包回转台等各大领域。

SKF 6214/HC5C3轴承详细参数

深沟球轴承, 单列陶瓷混合轴承, 无密封件
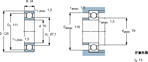
主要数据尺寸基本负荷额定值疲劳负荷限值额定速度体积型号
动态静态参照速度限制速度
dDBCC0Pu
mmkNkNr/minkg-
701252463,7451,91500085000,996214/HC5C3

SKF 6214/HC5C3轴承尺寸图纸

李工:138-8949-5179

刘工:135-0428-8802

地址:辽宁省大连经济技术开发区现代城3栋-13-13号

在线客服系统